Your controller looks great and I am going to take a shot at building my version of the Binford 6100.
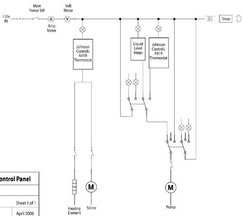
I have a question regarding your wiring diagram. Your wiring diagram looks like you can switch from Thermal to Liquid Leveling when your pump is in the Auto mode. If I read the schematic correctly, your Thermal and Liquid indicator lights should be on at all times, even if your pump (on-Off-Auto) switch is in the off position.
In one of your pictures you seem to show the pump selector switch in the Off position and the Thermal and Liquid indicator lights are off. Am I reading your schematic incorrectly or have you changed your design to allow this?



